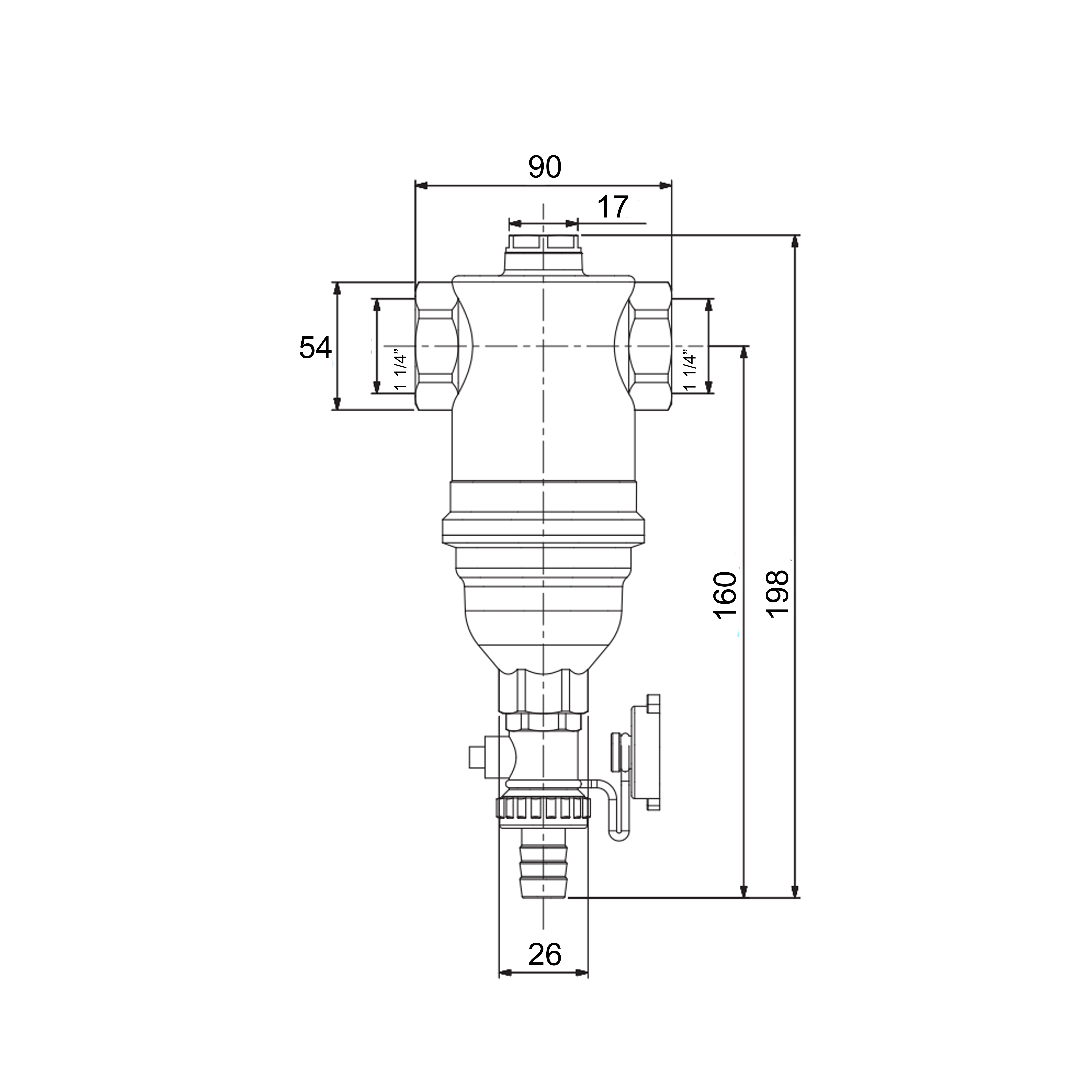
Характеристики Фильтр самопромывной с магнитом Icma для закрытой системы 1 1/4" №746 код товару SD00029184
Бренд
Icma
Сантехника
Вага брутто, кг
- 1,690
Зверніть увагу
- Нами приложены все усилия для подачи точной и правдивой информации в описании товара. Однако, источником информации является производитель. Он оставляет за собой право вносить изменения в конструкцию изделий и комплектацию, которые не ухудшают качество, б
Країна реєстрації бренду
- Італія
Нетто вага, кг
- 1,540
Розмір з'єднання
- 1 1/4"x1 1/4"
Серія
- 746
Тип виробу
- Фільтр
Тип підключення
- Різьблення
Опис Фильтр самопромывной с магнитом Icma для закрытой системы 1 1/4" №746 код товару SD00029184
Самопромывной фильтр с магнитом Icma №746 предназначен для защиты закрытых систем отопления от загрязнений, таких как ржавчина, окалина и мелкие частицы. Встроенный магнит эффективно задерживает металлические примеси, предотвращая их попадание в систему и увеличивая срок службы оборудования. Оснащен функцией самопромывки, что упрощает обслуживание и снижает потребность в частом ручном очищении. Подходит для установки на трубопровод диаметром 1 1/4", обеспечивает высокую степень фильтрации и поддерживает стабильную работу системы отопления. Надежное и долговечное решение для поддержания чистоты системы.
Відгуків не знайдено
Увійдіть до облікового запису, щоб ми могли повідомити вас про відповідь